Die elektrischen Eisenbahnen der Spurweite HO von Märklin sind der besseren Übersicht halber mit einigen Kennfarben für verschiedene Funktionen gekennzeichnet. Dabei müssen zwischen Kabelfarben und Steckerfarben unterschieden werden:
Zur Vermeidung von Kurzschlüssen wird dringend empfohlen, sich an die Farbcodierung zu halten. Um Probleme bei Störungssuche mit einem Wirrwarr von Kabeln zu vermeiden, sollten die Kabel auf der Unterseite der Anlagenplatte geordnet verlegt werden. Ein Beispiel, wie es nicht gemacht werden sollte kann man auf nebenstehendem Bild sehen. Ein erhebliches Gefahrenpotential ist im Vordergrund zu sehen, bei dem ein blaues Kabel mit rotem Stecker mit einem roten Kabel und rotem Stecker verbunden ist. Somit ist eine eindeutige Zuordnung zu Fahrstrom (?) oder Weiche abzweigen (?) oder Signal auf Zughalt (?) nicht mehr ohne Aufwand möglich.
Seit 1935 (Beginn der Märklin HO-Ära) wurde viele verschiedene Transformatoren produziert.
Allen Transformatoren (englisch "Transformers") ist gemein, daß sie weniger
als 60W Leistung abgeben bei einer Nennspannung von 16V (ACHTUNG! Ältere Trafos können
bis 19V Spannung als Fahrspannung abgeben!). Die Leistungsbegrenzung geschieht aus Sicherheitsgründen (60W/16V ergibt
einen Strom von fast 4A; genug um Metalle zusammenzuschweißen!).
Folgende Tabelle gibt eine kurze Transformatoren-Übersicht zu deren Betriebswerten (den Typenschildern entnommen)
| Trafotyp | Nennleistung [VA] | max. Strom [A] | Spannung B [V]* | Spannung L [V]* | Bemerkung |
|---|---|---|---|---|---|
| 260 | 10 | 4 Buchsen O,L,B,W | |||
| 270 A | 25 | 1,25 | 7-16 | 16 | Umschalten Drucktaste, Weichen (grüne Buchse 20V) |
| 278 A | 16 | 1,0 | 8-16 | 16 | |
| 280 A | 30 | 1,5 | 8-16 | 16 | Weichen (grüne Buchse 20V) |
| 37540 | 10 | 7-16(24) | 16 | In Anfangspackungen | |
| 6044 | 14 | 0,9 | 8-16 | 16 | In Anfangspackungen 3233 |
| 6111 | 30 | 2 | 6,5-13 | 16 | 125 V-Version |
| 6173 | 30 | 2 | 6,5-13 | 16 | Schutzkragenstecker |
| 6177 | 30 | 1,8 | 7-16(23) | 16 | Schutzkragenstecker |
| 6211 | 50 | 3,2 | 16 | für Beleuchtungen | |
| 6413 | 10 | 0,62 | 7-16(23) | 16 | In Anfangspackungen |
| 6473 | 10 | 0,62 | 7-16(23) | 16 | In Anfangspackungen, Schutzkragenstecker |
| 6511 | 16 | 1 | 7-16(24) | 16 | |
| 6611 | 40 | 2,5 | 16 | für Beleuchtungen | |
| 6631 | 30 | 2 | 4-16(24) | 16 | |
| 6647 | 32 | 2 | 4-16(24) | 16 | |
| P6401 | 10 | 0,62 | 7-16(23) | 16 | in Anfangspackungen Primex |
*Im Leerlauf sind die erreichbaren Spannungen bis ca. 15% größer als hier angegeben. Transformatoren mit einer Nennspannung von 220V auf der Primärseite (blaues Gehäuse) werden von Märklin nicht zum Analogbetrieb mit mfx-Dekodern empfohlen. Transformatoren der Serien 6177 und 6117 haben eine höhere Umschaltspannung von ca. 32V.
Falls die Leistung eines Transformators nicht ausreicht, müssen die Verbraucher in verschiedene Stromkreise aufgeteilt und
weitere Transformatoren verwendet werden. ES IST DRINGEND DAVON ABZURATEN, NETZTEILE MIT EINER
LEISTUNG ÜBER 60W BEI 16V ZU VERWENDEN! Eine Abschätzung zum Leistungsbedarf findet sich unter
Abschnitt 5.4. Falls ein Transformator defekt ist, oder (vor allem bei älteren Transformatoren)
die Kabelisolierung brüchig wird/ist, sollte man den
Eine Reparatur ist zwar möglich, doch sollte sie von einer Fachkraft vorgenommen werden.
AUF KEINEN FALL DÜRFEN OHNE AUSREICHENDE KENNTNISSE MANIPULATIONEN AM NETZTEIL DES TRAFO DURCHGEFÜHRT WERDEN!
Alle Transformatoren sind kurzfristig überlastbar. Schaltet ein Trafo häufig von selbst ab, sollte man alle Verbindungen zur Anlage unterbrechen und nach der Ursache suchen.
In diesem Abschnitt soll eine Anleitung zur Störungssuche und -behebung der elektrischen Stromversorgung gegeben werden.
ACHTUNG: Vor allem bei den Trafos mit den Originalkabeln aus den 50'er und frühen 60'er Jahre exisitieren spröde Kabelisolierungen. Die Kabel sind zwar austauschbar, doch sollten diese Transormatoren ebenfalls entweder ersetzt oder von Fachkräften repariert werden.
Jede Modellbahnanlage muß mit Spannung versorgt werden. Dabei kommt es je nach Anlagengröße und Materialzustand (vor allem Schienen!) zu recht unterschiedlichen Ergebnissen im Betrieb. Wird eine Modellbahnanlage nur an einem Punkt mit der Betriebsspannung versorgt, ist ein geordneter Betrieb nicht in vollem Umfang gewährleistet. Aufgrund der lastabhängigen Spannungsabfälle kann es zu Ausfällen oder zum Stehenbleiben eines Modelles kommen, was unerwünscht ist. Im Folgenden seien drei Rechenbeispiele besprochen, die die Auswirkungen verschiedener Versorgungsarten erläutert. Die in allen Rechenbeispielen übereinstimmenden Eckdaten sind wie folgt:
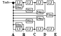
In den folgenden drei Abbildungen befinden sich die Meßpunkte an der selben Stelle, die Ohm'schen Widerstände sind in die Widerstandssymbole eingezeichnet.

Ein typischer Solokreis ist im Bild schematisch dargestellt. Die Symbole (Ohm'scher Widerstand) werden anstelle jeweils 10 gerader Schienen verwendet, um mit den anderen Bildern vergleichen zu können. Der Spannungsabfall an jedem Meßpunkt läßt sich nach den Formeln für eine Parallelschaltung errechnen: 1/Rges = 1/R1 + 1/R2 + ....
Die erhaltenen Spannungen sind am Ende von Abschnitt 3.5.5 in Tabelle 3.5.5 zusammengefaßt.

Eine Ringleitung ist eine Versorgungsleitung, die parallel zum Gleis verläuft und in Abständen das Gleis mit Spannung versorgt. Der Ohm'sche Widerstand der Versorgungsleitung ist kleiner als der des Gleises womit die Spannung am Meßpunkt (Einspeisungspunkt) merklich erhöht wird. Auch für das Kabel wird das Symbol des Ohm'schen Widerstands mit Wert (m = milli = Wert durch 1000 dividieren) eingezeichnet. Die Formeln zur Errechnung der Spannungsabfälle sind die selben wie bei der Sololeitung, nur muß hier ein größerer Aufwand betrieben werden. Ergebnisse sind in der Tabelle 3.5.5 zusammengefaßt

Eine Sternleitung ist eine zentral vom Transfomator zu allen Einspeispunkten laufende Leitung. Auch hier bewirkt der kleinere Ohm'sche Widerstand der Versorgungsleitung eine Spannungerhöhung an den Meßpunkten. Ansonsten gilt das bereits in 3.5.2 geschriebene. Anzumerken wäre hier noch, daß eine Sternleitung einen erheblichen Materialaufwand bedeutet. Zusammenfassung der Berechnungen in Tabelle 3.5.5

Die "Baumleitung" kann als Mischung von Stern- und Ringleitung aufgefaßt werden. Der Materialaufwand ist theoretisch sehr gering im Vergleich mit den anderen Verkabelungsarten. Praktisch liegen die Werte je nach Anlage bis zu 50% höher als angegeben, weil die Verbindungen nicht mitgezählt wurden. Ergebnisse in Tabelle 3.5.5
Die in den Abschnitten 3.5.1 bis 3.5.4 skizzierten Schaltungen werden in der folgenden Tabelle 3.5.5 zusammengefaßt.
Tabelle 3.5.5: Die Spalten verweisen auf die Schaltung, den Spannungsabfall an den Meßpunkten A bis E (in Klammern die absolute Spannung am Maßpunkt) und den Materialaufwand an zusätzlichem Kabel.
| Schaltungs- bezeichnung |
A(Uabs) | B(Uabs) | C(Uabs) | D(Uabs) | E(Uabs) | Materialaufwand an Kabel in m |
| Solokreis | 0 V (10 V) | 1,1 V (8,9 V) | 1,9 V (8,1 V) | 2,3 V (7,7 V) | 2,5 V (7,5 V) | |
| Ringleitung | 0 V (10 V) | 0,01 V (9,99 V) | 0,01 V (9,99 V) | 0,02 V (9,98 V) | 0,02 V (9,98 V) | 14,4 m |
| Sternleitung | 0 V (10 V) | 0,01 V (9,99 V) | 0,02 V (9,98 V) | 0,03 V (9,97 V) | 0,03 V (9,97 V) | 28,8 m |
| Baumleitung | 0 V (10 V) | 0,01 V (9,99 V) | 0,02 V (9,98 V) | 0,03 V (9,97 V) | 0,04 V (9,96 V) | 7,2 m |
Wie der Tabelle zu entnehmen ist, kann der Spannungsabfall groß sein. Hat man nun ein schwergängiges Modell, das erst ab einer Spannung von 9 V anfährt (bei schlechter Wartung der Modelle keine Seltenheit!), so ist eine gute Versorgung mit elektrischer Leistung notwendig. Es wird empfohlen, mindestens alle 8 geraden Gleise eine Einspeisung vorzunehmen, um diese Effekte klein zu halten; bei altem Schienenmaterial sogar in noch kürzerem Abstand (alle 6 Gleise). Somit erniedrigt sich der Spannungsabfall auf unter 0,5V, womit ein ordnungsgemäßer Betrieb gewährleistet werden kann.
Alle bisher besprochenen Verkabelungen können mit Steckern und Muffen realisiert werden. Digitale Anlagen sollten jedoch nicht mit Steckern versehen sein aus mehreren Gründen:
2001 wurde das Metallgleis-Sortiment eingestellt. Ein Vergleich dieser Gleise mit C- oder K-Gleisen zeigt eine wesentlich größere Nähe des Mittelleiters zum Böschungskörper, welcher die Rückleitung darstellt. Da nun die Kapazität mit dem Abstand abnimmt, wären erhebliche Kontaktprobleme im Digitalbetrieb die Folge, welche durch die relativ hohen Kapazitäten der Metallgleise mit verursacht werden können.
Entstörgleise erhöhen zusätzlich die Gesamtkapazität: (0,47 oder 0,22 mF bei M-Gleisen). Diese Kapazitäten stellen für hochfrequente Signale (z.B. im Digitalbetrieb) einen Kurzschluß dar und müssen daher beim Umstieg in Digital entfernt werden (der Blindwiderstand von Kondensatoren nimmt mit der Frequenz ab).
M- und K-Gleise haben zur Leistungsversorgung separate Gleise, C-Gleise haben individuelle Gleisanschlüsse. Meistens begnügt man sich mit zwei Kabeln zum Gleisanschluß pro Gleis. Oben angeführte Verkabelungen führen somit jedoch zwangsläufig zu Kabelsalat, da entweder jedes Gleis ein separates Zuleitungkabel benötigt oder die Kabellänge nahezu doppelt so viel ausmacht, wie benötigt. Diese Probleme können stark reduziert werden, indem jedes Gleis mit Anschluß jeweils zwei Kabelpaare (braun bzw. rot) erhält. In diesem Fall kann ein Anschluß dazu benutzt werden, das jeweils nächste Gleis mit Spannung und Strom zu versorgen. Bei M-Gleisen sollten etwa alle 4-5 Gleise einen Anschluß haben. Somit ist die ideale Länge der Anschlußkabel ca. 45 bis 50 cm. Die dann vorhandenen Kabel können leicht unter dem Gleis verlegt werden Vorsicht! Die Kabel nicht mit den Befestigungsschrauben einklemmen oder beschädigen!" mit Ausnahme der Verbindungsstellen, welche idealerweise mit je einem Stecker und einer Muffe ausgestattet sind. Diese Stellen können leicht kaschiert werden, sind jedoch gleichzeitig gut zu markieren bzw. leicht zugänglich zu machen.
39290 Besucher seit dem 17.07.2007